摘要:货车编组技术作为智能交通与汽车工程交叉领域的创新成果,通过计算机控制实现多车辆协同行驶,可在节能、提效、安全等方面展现出显著优势。系统地梳理货车编组技术的定义、核心优势与发展历程,深入分析国内外技术发展路径与典型项目实践,重点剖析欧洲、美国、日本、韩国及中国的技术特征与应用进展。针对我国技术早期阶段的现状,提出运行条件分析、标准体系构建及关键性能研究等核心需求,并建议按“从易到难、从有人到无人、从小车到大车”的路径推进发展,为我国货车编组技术的研发与应用提供全面参考。
摘要:2025年1-7月,中国商用车出口规模超62万辆,同比增长 26% ,展现出强劲的国际市场竞争力。其中,新能源商用车占比提升至 9.5% ,反映出中国在电动化领域的先发优势正逐步落地。然而,出口仍面临核心市场波动等结构性挑战。基于海关数据与行业调研,分析当前出口结构与潜在风险,指出行业正从“产品出海”向“体系出海”转型,强调下阶段区域深耕、产业链协同与灵活技术策略的重要性。预计2025年,全年出口将突破百万辆,新能源占比持续提升。为实现可持续高质量出海,企业需加强本地化运营、服务网络与生态合作,应对国际竞争与政策不确定性。
摘要:2015年起,国内各类新能源车辆不断投入市场并取得了市场的认可。甲醇燃料发动机也随着各厂家近几年来的技术开发逐步获得了商用化的能力,并陆续推出了多种车型,未来甲醇车辆市场发展方向成为后续车辆技术开发的重点。通过对新能源甲醇车辆近一年内的公告数据展开对比分析,找出了目前新能源甲醇车辆的发展瓶颈,可以指导厂家在后续更好地针对性开发出符合市场需求的新能源甲醇车辆。
摘要:随着纯电轻型商用车在城市物流领域的快速普及,其热管理系统的能耗已成为影响整车续航里程的关键因素。传统Positive Temperature Coefficient(PTC)加热方案能效较低,引人高效热泵与余热回收技术是当前热管理技术趋势。基于江淮汽车轻卡平台的热管理需求,结合最新行业技术发展趋势,系统性地分析与优化了四种热管理架构方案。通过集成热泵技术、多通阀控制和系统集成化设计,提出了针对纯电轻卡的热管理解决方案,旨在实现系统能效、成本和空间布局的最佳平衡。研究结合了仿真分析与实车测试数据,为纯电轻型商用车热管理系统的设计与开发提供了切实可行的技术路径和理论依据。
摘要:为尽早发现新能源汽车动力总成出现的故障,采用早期故障诊断分析设备对电驱总成试验中的振动数据进行采集,并对其实施故障检测。通过电机及减速器的结构,建立起齿轮、轴等的阶次计算模型;根据采集到的振动数据,在模型基础上,依靠趋势指数、瀑布图、频谱图等手段对动力总成出现的问题进行分析,判断故障出现的位置,再通过实际拆解验证分析结果。结果表明:早期故障诊断分析设备确实可以提早发现产品问题,有效帮助判断故障发生位置及成因,这有利于保护产品,并缩短产品开发周期,降低研发成本,对产品开发有着积极意义。
摘要:随着混合动力汽车(HEV)的快速发展,市场保有量的快速增长,其搭载的混合动力变速箱主减齿轮在高频变载、多工况切换下的点蚀失效问题逐渐成为制约系统可靠性的核心瓶颈。以某混合动力变速箱主减齿轮为研究对象,从材料及表面处理优化、润滑改进、微观修形参数等方面提出解决方案,通过试验和仿真验证改进措施的有效性,为混合动力变速箱的可靠性设计提供理论依据和工程参考。
摘要:针对新能源汽车电驱动优化及匹配设计需求,以永磁同步电机(PMSM)为研究对象,开展其工作特性的仿真建模与分析。基于坐标变换理论,建立PMSM的数学模型,并利用仿真软件构建完整的电机系统仿真模型。基于该模型,重点仿真分析了电机启动过程及转矩突变工况下的动态响应特性。结果表明,所研究的PMSM驱动系统具有良好的启动性能和动态稳定性,在负载扰动下能快速恢复稳态运行。
摘要:针对纯电动汽车动力电池于高功率放电及复杂环境下易出现温升过快、热失控等状况的问题,以圆柱形 21700锂离子电池为对象,进行了液冷热管理系统建模与优化方面的研究。通过建立电池生热模型并结合AN-SYS/Fluent仿真平台,从冷却结构设计及典型工况分析两个方面予以系统论述,提出液冷板结构优化方法且开展正交试验对冷却液流速、人口温度影响程度等研究。研究结果表明,所设计的液冷系统可显著达成良好的热管理效果,有效解决液冷系统设计中热分布不均的问题,为提升电池安全性和稳定性提供了工程参考。
摘要:针对传统GDI喷油器在低温环境下的燃油雾化效果差、响应速度慢等不足之处,提出了一种内部加热双线圈GDI喷油器结构,通过设计双线圈驱动模块和内部加热单元来实现喷油器开启响应速度提高及低温环境下燃油流动性的改善。采用试验与仿真相结合的方法,研究该喷油器的电磁响应特性、喷雾特性及燃油经济性,结果表明:内部加热双线圈GDI喷油器在 -20°C 低温环境下,喷油响应时间比传统喷油器缩短了 15%~20% ,燃油雾化粒径(SMD)降低了 8%~12% ,发动机热效率提高了 3%~5% ,为GDI发动机性能优化提供了关键技术支撑。
摘要:新能源汽车高压互联系统集成了动力电池、电机控制器等关键部件,易受各种电磁干扰的影响,因此需要对其EMC特性进行深入研究。首先概述新能源汽车高压互联系统,剖析其主要电磁干扰源和敏感器件,然后从系统硬件抗干扰设计、系统控制抗干扰设计等方面,提出抗干扰设计方案,该方案能有效抑制共模和差模干扰,提高系统的EMC 性能。
摘要:承压罐车用于运输在常温下呈气体、液化气体以及工作温度高于等于标准沸点液体的罐式车辆,因为其所运输的介质压力高于大气压,加上化工介质本身具有的危险性,所以承压罐车被列入特种设备进行管理。按照我国现行法律法规,承压罐车的监管既要满足车辆的相关要求,又要满足压力容器相关要求。据此,分析了承压罐车全生命周期的法规监管体系和生产管理要点,以便供全产业链从业者参考借鉴。
摘要:随着城市化进程的持续加快与生态环境建设要求的日益提高,环保设备性能优化已成为环境工程领域的重要研究方向。以扫地车为研究对象,重点分析其核心工作参数(包括刷盘转速、行进速度等运动学参数)对清洁效率的影响。首先对盘刷的运动规律进行分析,推导出刷束的运动方程;然后,采用参数化建模技术构建刷盘结构及刷毛的空间布局;最后,结合所建立的运动方程,利用UG软件对不同转速与清洁车速工况下的盘刷进行运动仿真,通过对比分析选取最佳清扫轨迹。研究结论为扫地车工作参数的优化选择提供了理论依据与设计参考。
摘要:根据挖掘流体输送系统的新材料应用,深入探讨钢塑复合管在环卫车辆领域的应用现状及其技术优势。通过对比分析传统金属管材与塑料管材的性能缺陷,并结合环卫作业的特殊需求,详细论证了钢塑复合管在耐腐蚀性、轻量化、成本控制等方面的综合价值。在此基础上,提出了钢塑复合管在环卫车辆中的标准化应用建议,以期为相关行业的创新发展提供参考。
摘要:基础医疗设施不足和不便利性成为制约居民健康水平提升的关键因素,导致了体检服务发展的差异化。为破解医疗体检水平发展不平衡的困境,提出了流动医疗体检车的新思路。通过分析并确定居民的意愿度,提出了医疗体检车设计的关键项目,包括体检流程设计、车辆内部空间设计、医疗器械设计等;通过梳理体检服务流程,明确就诊者的流程动线,为其提供流动式医疗体检的解决方案。
摘要:随着自动驾驶技术的发展,非结构化道路场景下的决策规划成为研究热点。传统基于规则的方法在复杂多变的环境中泛化能力不足,难以兼顾效率与经济性。基于此,提出一种基于深度强化学习的决策规划方法,通过合理设计状态与动作空间,并构建兼顾效率、经济性、安全性与舒适性的回报函数,在矿区非结构化道路场景中开展仿真验证。结果表明,该方法在多方面均表现优异,有效提升了车辆的决策规划能力,为自动驾驶在复杂道路环境中的应用提供了新思路。
摘要:随着新能源汽车的普及,其低速行驶时的静音特性增加了行人碰撞风险,行人警示系统(AVAS)与被动防护装置的协同优化成为提升道路交通安全的关键。通过多目标优化方法,整合AVAS的主动预警与被动防护装置的碰撞缓解功能,建立人-车-路协同模型,优化系统响应策略与结构设计。仿真与实车试验表明,协同优化可降低行人伤害风险,同时减少误报警率,为智能安全系统设计提供理论支撑。
摘要:为解决车机与TBOX分立部署带来的系统冗余、能耗高与资源冲突等问题,提升整车电子系统集成度与运行效率,提出基于模块化设计的集成优化方案,构建统一通信架构与资源调度机制,整合多核异构计算平台、5G 通信模块及任务隔离策略。测试结果表明系统故障率下降 75% ,峰值功耗降低 31% ,通信丢包率控制在0.05% ,关键中断响应时间达 10μs , 720h 高负载运行保持性能稳定。结论是模块化集成方案在功能集成、能耗控制与系统稳定性等方面表现优异,具备良好的工程实用性和推广价值。
摘要:为了探究氢气加注过程中初始/边界条件对最终氢气温度的影响,建立了加注系统的热力学模型,并采用试验数据验证了模型的可靠性。研究了初始/边界条件对最终氢气温度的影响,定量地拟合出初始/边界条件与最终氢气温度的数学模型。研究发现,最终氢气温度与初始压力、初始温度、环境温度和进气温度可以拟合为 T= -1.17p0+77.42 (°C) , T=0.02T0+70.33 ( °C) , T=0.42Ta+73.10 三 (C) , T=0.81Tc+67.45 1 (C) 。初始温度、环境温度和进气温度每增加 1dC 时,最终氢气温度的变化量为 0.02% 、 0.42°C 和 0.81qC ,即进气温度对最终氢气温度影响灵敏度高于初始温度和环境温度。
摘要:自动驾驶车辆是一个包含环境感知、车辆定位、路径规划和决策控制的综合智能系统。不同自动驾驶等级的车辆对环境的适应性不同,如果能结合环境感知信息和自动驾驶车辆自身运行范围,就能帮助车辆判断是否需要退出自动驾驶,以保证行驶安全性。为此,提出了一种用于综合评估自动驾驶车辆运行范围的方法,将自动驾驶环境信息进行拆解分类得到一系列场景元素,建立传递模型并融合层次分析法计算当前场景的复杂度,最后基于自动驾驶车辆的测试结果评估其运行范围。
摘要:针对储能系统关键热管理部件液冷板在复杂工况下的可靠性测试需求,以某公司授权的一项实用新型专利“一种用于储能的液体高低温压力循环试验装置”(ZL202420631206.3)为技术核心,开发了一种集成高低温循环、压力交变与流量控制的综合试验装置。该装置可实现 -40~80circC 宽温域精准控制、 0.05~0.7MPa 动态压力加载多参数耦合测试,解决了传统测试设备工况单一、响应迟滞等问题。经试验验证表明,该装置温控精度达 ±0.5C ,压力波动率 <2.5% ,成功应用于某储能液冷板多应力耦合加速老化测试,为储能液冷系统关键零部件可靠性评价提供了标准化测试平台。
摘要:近年来,电动汽车以其高能效和环境友好等特点得到了大力的发展,目前制动能量回收系统已在多种形式的电动汽车产品上得到广泛应用。以某新能源汽车为例,阐述了电动汽车的再生制动性能快速测试技术,旨在促进电动汽车再生制动性能快速测试技术在新能源汽车检测中发挥更大作用,打造具有鲜明技术特色和绿色发展能力的现代化电动汽车检测体系。
摘要:为揭示云南省高原山区高速公路事故多因素耦合致因机制,基于2013—2023年 1863 起事故数据,从“人-车-路-环境”系统构建含交互项的变量体系,采用探索性因子分析(EFA)进行降维分析。提取出6个关键风险因子,权重前三位为:施工-雨天交互因子( 16.48% )、雾区防护缺失因子( 14.65% )和重型货车运营风险因子( 12.99% )。结果表明,“施工 + 雨天”“雾天 + 无防护”等复合场景风险最突出。研究揭示了事故的系统耦合成灾模式,可为高风险路段精准防控提供依据,所识别的重型货车风险因子为车辆安全管理与设计提供了关键决策支持。
摘要:针对矿用自卸车悬挂球头销在复杂路况与高冲击载荷下易失效的问题,以HAULPAK630E 型矿山自卸车球头销为研究对象展开分析。首先通过对失效部件进行承载分析及疲劳寿命校核,探究其失效的内外原因。结果表明,球头销断裂源于过度圆角颈部的应力集中,其疲劳寿命仅 2000km ,远低于设计寿命。然后,基于分析结果,提出行之有效的改进和优化策略,预测使用寿命延长至 5000km 以上,为矿用车关键零部件的可靠性提升提供了理论依据与工程参考。
摘要:基于新能源汽车动力电池大规模退役所引发的资源与环境问题,对退役时间预测、回收效益评估及系统调度优化进行了研究。阐述了退役变量识别方法与多源数据融合预测模型,介绍了经济性与环境性并重的评估指标体系,构建了回收流程技术适配分析与路径协同优化模型。结果表明,多维集成模型可有效提升退役电池回收的系统效率与决策精度,具备良好的工程适用性。
摘要:探讨广汽自研某大数据平台在新车品质培育中的创新应用,基于广汽传祺技术实践,剖析VDAS车辆数字化分析系统与GIDS智能诊断管理系统的功能架构及其与品培场景的融合机制。通过构建“数据驱动-模型支撑-案例验证”的诊断体系,实现了故障诊断效率提升 75% 、数据解读准确率提升 35% 的成效,为汽车行业数字化品培转型提供了可复制的技术路径。
摘要:车联网技术为新能源汽车充电路径优化提供了实时数据支撑与智能决策基础。结合专用汽车运营特性,构建数据采集处理机制、动态路径规划算法及电桩选取策略,实现充电效率提升与成本控制。在城市仿真环境中,通过调度系统优化运行节奏,增强了多场景适应能力。该路径优化方案提升了运营经济性与生态效益,同时为城市充电网络布局与交通能源系统智能化发展提供了有效支撑。
摘要:以黔西南州为例,通过对当地汽车产业、行业及高职院校汽车专业现状进行调查分析,明确产教融合课程体系改革需求。剖析高职院校汽车专业教学与企业需求的差距,进而设计产教融合课程体系改革方案,涉及课程体系优化建设、教学方法改革、实训基地建设、师资队伍建设和教学评价体系完善。在黔西南民族职业技术学院汽车专业开展了改革试点,并对评估效果进行了跟踪。
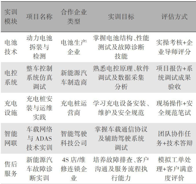
摘要:在高职院校新能源汽车专业人才培养工作中,基于一体两翼领航对人才培养工作进行系统的优化和全面推进,促进人才培养体系的创新构建,能循序渐进提高人才培养质量,促进人才获得良好的职业发展。从推进高职教育高质量发展角度人手,重点针对一体两翼领航下高职新能源汽车专业四位一体人才培养模式的建构进行了深度分析,提出了合理化建构和实施人才培养工作的措施,旨在全面提升人才培养效能,促进高职新能源汽车专业人才培养工作高质量落实,优化高职院校人才综合供给。